HP 3000 Manuals

Using a Terminal in Full Screen Mode (Continued) [ HP RPG/XL Programmer's Guide ] MPE/iX 5.0 Documentation


HP RPG/XL Programmer's Guide

Using a Terminal in Full Screen Mode (Continued) 

Using the RPG Screen Interface (RSI) 

RSI is a unique forms handling facility designed to work exclusively with
RPG. In many cases, you can have RSI perform screen handling
automatically during normal logic cycle processing.  If you're using the
RSI file for a simple input application, you may prefer to use RSI
CONSOLE files instead of the regular RSI files that use the full
capabilities of RSI (for information on RSI CONSOLE files, see "Using RSI
CONSOLE Files").

To use RSI in an RPG program, perform the following steps (the steps are
discussed in detail in the following sections in this chapter):

 *  Create the RSI form 

    Before using RSI to process data in full screen mode, use SIGEDITOR
    (see the RPG Utilities Reference Manual) to create a screen form.
    When creating the form, you specify headings and titles, where the
    data fields are located on the screen, the type of data each field
    holds and which function and command keys are used.

 *  Define an RSI form 

    When you use SIGEDITOR to define an RSI form, you can have SIGEDITOR
    generate the RPG specifications for the form.  You then include those
    specifications in the RPG program, modifying them when necessary.
    Whether or not you or SIGEDITOR creates the specifications, they must
    be entered as described below:

    File Description Specifications - 

    These specifications define the file as an RSI WORKSTNR file and,
    optionally, the name of the forms file.

    Input Specifications - 

    These specifications define the fields that are used for input.

    Output Specifications -  

    These specifications name the RSI form (in the forms file) to be used
    and the data for the fields to be displayed.  You can also include a
    field for errors and other messages.

 *  Display and Read the RSI form 

    Calculation Specifications - 

    You can display and read the form in one of two ways.  If you define
    the file as a primary file, RSI performs input and output
    automatically during the normal logic cycle.  If you define the file
    as a demand file, you control input and output by entering the
    Calculation Specification operations EXCPT and READ.

    In addition, to determine which command keys the user presses at run
    time, enter Calculation Specifications to test the command key
    indicators.  If you need to know which function keys the user
    presses, enter one or more Calculation Specifications to test the
    values in the RSI STATUS array.

Creating an RSI Form.  Figure 4-24 shows how a form is defined using
SIGEDITOR. This form is used in the following sections to illustrate how
RSI is used.  The form is used to update the D-ACCOUNTS data set (see the
schema for the MARKET database in Figure 3-23).

[]
Figure 4-24. Creating an RSI Form Using SIGEDITOR In addition to defining the layout of the form, you must also assign a name to the forms file and define certain processing requirements. For example, you may want to process the form using exception output rather than letting the processing be handled automatically by the RPG logic cycle. Figure 4-25 shows the SIGEDITOR Forms Specification screen that lets you define these requirements.
[]
Figure 4-25. Using the SIGEDITOR Forms Specification Screen The lower part of the SIGEDITOR Forms Specification screen lets you enable one or more of the function keys ( F2 - F7 ). To enable a function key, enter an asterisk for it on this screen. The function keys F3 - F8 let you simulate the function keys of the same name on IBM 3x systems. To use them in an RPG program, you must enable them in on this screen. The function keys are: Function Key Description PRNT (PRINT SCREEN) ( F2 ) When enabled, the function key label PRINT SCREEN appears and lets you simulate the print screen key on IBM3X systems. When not enabled, the label *PRINT SCREEN appears at run time and the screen contents are written to RSIPRINT (DEV=LP). ROLL UP ( F3 ) Lets you simulate the ROLL UP key on IBM 3x systems. ROLL DOWN ( F4 ) Lets you simulate the ROLL DOWN key on IBM 3x systems. CLEAR ( F5 ) Lets you simulate the CLEAR key on IBM 3x systems. HELP ( F6 ) When enabled, the function key label HELP appears and lets you simulate the HELP key on IBM 3x systems. When not enabled, the label *HELP appears and the application hep facility is activated when the key is pressed. REC BKSPC (RECORD BACKSPACE) ( Lets you simulate the REC BKSPC key on IBM 3x systems. F7 ) The last part of the SIGEDITOR Forms Specification screen lets you enable one or more command keys. You must enable the command keys before using the corresponding command key indicators in an RPG program. Figure 4-25 shows that all of the command keys are disabled except for command keys 1, 2, 3, 5 and 8 (which correspond to command key indicators KA, KB, KC, KE and KH). At run time, the form defined in Figure 4-24 and Figure 4-25 appears as shown in Figure 4-26. Data is entered in the form to show how the fields are used.
[]
Figure 4-26. Using an RSI Form Within an RPG Program Defining an RSI Form. Figure 4-27 shows the specifications generated by SIGEDITOR for the screen in Figure 4-24. You can create the specifications yourself, if you prefer or you can modify the ones generated by SIGEDITOR.
[]
Figure 4-27. RPG Specifications Generated by SIGEDITOR
[]
Figure 4-27. RPG Specifications Generated by SIGEDITOR (Continued) Comments 1 This line defines the file WRKSTN as a WORKSTNR (RSI) file. Column 15 is U to specify update file processing. Column 16 is D to specify that this is a demand file. Column 19 is V to specify variable length records (you must use V for terminal files). Columns 24-27 specify that the record length is 246 characters. 2 This line names the RSI forms file, FACCTFM, to be used in the program. 3 This line begins the definition of the fields that are used for input. 4 This line begins the definition of the fields that are used for output. Displaying and Reading an RSI Form. You can enter the Calculation Specifications operations EXCPT and READ to display, then read and RSI form. You do not need to enter Calculation Specifications to display and read an RSI form if you entered "N" for Exception Output in SIGEDITOR because the form is processed automatically during normal logic cycle processing. Figure 4-28 shows how to display and read an RSI form using Calculation Specifications.
[]
Figure 4-28. Displaying and Reading an RSI Form Using Calculation Specifications Comments 1 This line begins the definition of the input fields in the RSI form. 2 This line displays the form SCN01 whose definition starts in line 4. 3 This line reads the data entered into the form by the user and stores it in the Input Specification fields. When this line is executed, all of the data entered by the user is available for processing by the program. 4 This line defines the fields that are displayed in form SCN01. Field values can be specified as defaults in SIGEDITOR or you can move the values into the output fields using Calculation Specifications operations. Displaying Messages with RSI. There are no special areas of the screen or special fields for messages. If you want to display a message (for example, an error message), you must define a field for it. Once defined, there are several ways you can use the field to display messages. You can place a message in the field yourself or, if the message is contained in a User Message Catalog, you can specify the message number in SIGEDITOR. In that case, the message is read and placed into the field automatically. Also, you can associate an indicator with the field in SIGEDITOR, then display the field by turning the indicator ON at run time. You cannot use the Calculation Specification DSPLM operation with RSI to display messages. Figure 4-29 shows how to display a message contained in the compile-time array MSG.
[]
Figure 4-29. Displaying Messages in an RSI Form Comments 1 This line sets the index (M#) to the array MSG to the value 2. 2 This line turns ON indicator 82 which is defined in the "Output Field" attribute for this field in SIGEDITOR. 3 This line displays the RSI form SCN01. 4 This line defines the message field as part of the form SCN01. It consists of a single element of the array MSG. 5 This is the second element of the array MSG and is displayed in line 3. Using Function Keys with RSI. When you enable any or all of the function keys F3 - F8 in SIGEDITOR, their labels (as shown below) appear. If you do not enable them, the labels F3-F8 appear. Even though the function keys are enabled, RSI does not perform any action when the user presses them. You must perform the processing yourself by entering Calculation Specifications. The function keys are: Function Key Description F1 (COMMAND) Used in conjunction with one of the keys on the top row of the keyboard to turn on the corresponding command key indicator. F2 (PRINT SCREEN) If enabled, the function key label PRINT SCREEN appears though no printing takes place. You must enter Calculation Specifications to perform this function. If not enabled, the label *PRINT SCREEN appears and the contents of the screen are written to RSIPRINT (DEV=LP). F3 (ROLL UP) If enabled, you must enter the Calculation Specifications to perform this function. F4 (ROLL DOWN) If enabled, you must enter the Calculation Specifications to perform this function. F5 (CLEAR) If enabled, you must enter the Calculation Specifications to perform this function. F6 (HELP) If enabled, the function lable HELP appears. You must enter the Calculation Specifications to perform this function. If not enabled, the label *HELP appears and the application help facility is activated when the key is pressed. F7 (RECORD BACKSPACE) If enabled, you must enter the Calculation Specifications to perform this function. F8 (DUPLICATION) If enabled in the Attribute Specification screen of SIGEDITOR, this key fills the field (from the cursor position to the end of the field) with the hexadecimal character 1C (^) and moves the cursor to the next field. You can check for these characters and take appropriate action. For example, you may want to reuse the field's previous value. If the user presses a function key that is not enabled, the message "FUNCTION KEY NOT ENABLED AT THIS TIME" is displayed momentarily. To determine which function key was pressed, check the value in the first element of the RSI STATUS array. (Refer to the HP RPG Reference Manual for these values.) Figure 4-30 shows how to test the array STAT to determine if the user pressed F4 (ROLL DOWN).
[]
Figure 4-30. Using Function Keys with RSI Comments 1 This line reads the RSI form and the settings of the function keys. 2 This line tests the first element of STAT for the value 1123 (which indicates that F4 was pressed). Using Command Key Indicators with RSI. If you enabled a command key when you defined the form using SIGEDITOR, you can use the associated command key indicator in the program to set indicators and to condition operations. See "Creating an RSI Form" at the beginning of this chapter for information on enabling the command keys. If the user presses a command key that you did not enable, the message "COMMAND KEY NOT ENABLED AT THIS TIME", is displayed momentarily. Figure 4-31 shows how to use command key 3 (command key indicator KC) to condition an EXSR operation.
[]
Figure 4-31. Using the RSI Command Keys Changing Field Attributes with RSI. From time to time, you may need to define a field's attributes one way in SIGEDITOR, but change them dynamically at run time. You can change video and protection attributes. To do this, you must associate an indicator with the attribute in SIGEDITOR, then turn the indicator ON before the form is displayed. Figure 4-32 shows how to associate an indicator (41) with the "High Intense" attribute of a field in SIGEDITOR.
[]
Figure 4-32. Assigning an Indicator to a Field's Attribute Assuming that the field shown in Figure 4-32 is a field in the output record R$DATA, Figure 4-33 shows how to display it in high intensity.
[]
Figure 4-33. Changing a Field's High Intense Attribute Comments 1 This line turns ON indicator 41. 2 This line displays the RSI form. All fields having indicator 41 associated with them in SIGEDITOR are highlighted when the form is displayed. A Sample Program Using RSI. This section lists a complete program that processes data using RSI forms. The program updates the D-ACCOUNTS data set. This data set keeps customer information such as account numbers, names and addresses. The data set is part of the TurboIMAGE MARKET database whose schema is shown in Figure 3-23. The RSI form is the one shown in Figure 4-24. Customer records are accessed by the customer's account number. To add a record, the user presses command key 1 then enters an account number. "CMD-1 Add" is highlighted and the user can then proceed to add data for the new customer. When input is complete, the user presses ENTER . Similarly, to modify an existing record, the user presses command key 2 then enters an account number. "CMD-2 Change" is highlighted and the customer information in the D-ACCOUNTS data set is displayed. The user can then change that information, pressing ENTER when input is complete. To display existing account information for a customer, the user presses command key 3 then enters the customer's account number. To delete a customer record, the user presses command key 5 then enters an account number. The user is asked to confirm the delete, then the record is purged from the data set.
[]
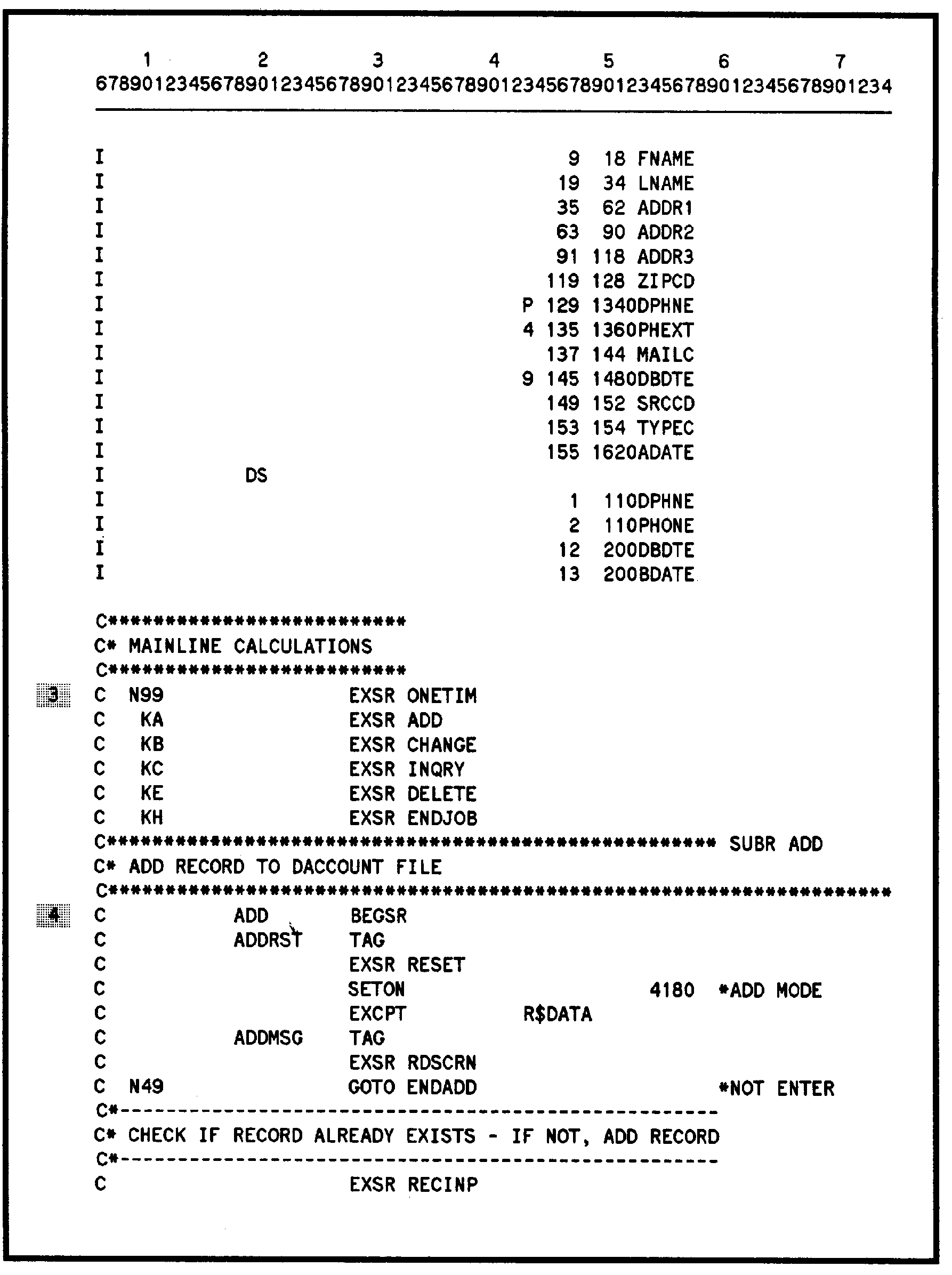
Figure 4-34. Program to Update D-ACCOUNTS Using RSI
[]
Figure 4-34. Program to Update D-ACCOUNTS Using RSI (Continued)
[]
Figure 4-34. Program to Update D-ACCOUNTS Using RSI (Continued)
[]
Figure 4-34. Program to Update D-ACCOUNTS Using RSI (Continued)
[]
Figure 4-34. Program to Update D-ACCOUNTS Using RSI (Continued)
[]
Figure 4-34. Program to Update D-ACCOUNTS Using RSI (Continued)
[]
Figure 4-34. Program to Update D-ACCOUNTS Using RSI (Continued)
[]
Figure 4-34. Program to Update D-ACCOUNTS Using RSI (Continued) Comments 1 This line begins the definition of the RSI WORKSTN file WORKSTN. The forms file for WORKSTN is FACCTFM and the STATUS array is STAT. (STAT is used to determine if the user pressed ENTER .) 2 This line begins the description of the record used for all terminal input. (The lines were generated by SIGEDITOR, then modified.) 3 This line begins the mainline portion of the program. The subroutine ONETIM is executed only at the beginning of the first logic cycle. The other subroutines are executed when the user presses the associated command key (for example, CMD-2 Change). 4 This line begins the subroutine that adds records to the D-ACCOUNTS data set. The subroutine first resets (in the RESET subroutine) all indicators used in the previous cycle. Next, indicators 41 and 80 are turned ON. Indicator 41 is used to change the video attribute for the constant "CMD-1 Add" so that the user knows what the current mode is. Indicator 80 is the "erase input fields" indicator. It causes all input fields to be cleared before the form is displayed. (This saves having to initialize each field yourself before displaying the form.) The form is displayed by the EXCPT R$DATA operation. Then, the RDSCRN subroutine reads the form and checks to see if the user pressed the ENTER key or some other enabled command key. Control remains in the subroutine until the user presses another command key. When this happens, control proceeds to the end of the subroutine. (The mainline portion of the program processes the command key request during the next logic cycle.) The RECINP subroutine checks to see if the data record already exists in D-ACCOUNTS. If it does, the account number field is cleared, and the form is redisplayed with the error message "EXISTING ACCOUNT NUMBER" (override is in effect so that the user can enter the correct account number). If there are no errors (indicator 40 is OFF), a record is added to the data set by the EXCPT $ADD operation and control goes back to the beginning of this step. 5 This line begins the subroutine that updates D-ACCOUNTS data set records. The RESET subroutine turns OFF indicators that were turned ON during the previous logic cycle, then indicators 42 and 80 are turned ON. The RSI form is displayed, then read. If the user pressed another command key (indicator 49 is OFF) control skips to the end of the subroutine. The RECINP subroutine reads the record from the D-ACCOUNTS data set. If the record exists, indicator 40 is turned ON and the form containing account information is displayed. Control skips to CNGMSG where changes are read. If the record does not exist, indicator 80 is turned OFF so that the "Erase input fields" attribute will not be in effect. The error message "INVALID ACCOUNT NUMBER" is displayed and control skips back to CNGMSG to accept the new account information. After the new information is read, the record in D-ACCOUNTS is updated by the EXCPT $UPD operation. Control remains in the subroutine until the user changes modes (presses a different command key). 6 This line begins the subroutine that locates records in the D-ACCOUNTS data set and prepares error messages for display. The CHAIN operation reads D-ACCOUNTS using ACTNO as its key field. If the record is not found, indicator 60 is turned ON. If add mode is in effect and the record is found, or if other modes are in effect and the record is not found, an error results. The index of the appropriate error message in MSG is placed in the variable M# and indicator 82 is turned ON. Indicator 81 is turned ON to allow override and to sound the alarm (beep). When override is in effect, data on the screen remains unaltered except for attributes conditioned by indicators and output fields conditioned by indicators that are ON. 7 This line begins the subroutine that reads the form and checks to see if the user pressed a function key. Indicator H0 is turned ON by the READ WORKSTN operation when a terminal read error occurs. When READ is executed, a code that identifies which function key (if any) was pressed, is placed in the first element of the STAT array. If the ENTER key was pressed this element equals 0 and indicator 49 is turned ON. Since none of the function keys were enabled on the form, the only other possible value is 2 (which indicates that a command key was pressed). 8 This line begins the output record description for the RSI form. The specifications were generated by SIGEDITOR, then modified. The form name is entered as a constant in the first line. It has a length of 8 and the prefix "K". The field used for messages, MSG, is indexed by M# (M# contains the number of the message). MSG is conditioned by indicator 82 and the SIGEDITOR "Output Data" attribute for MSG also contains 82. Using RSI CONSOLE Files RSI CONSOLE files are RSI files that are used for input only and whose forms file is generated automatically during compilation. RSI handles all file input and output during run time. To use an RSI CONSOLE file in an RPG program, perform the following steps (the steps are discussed in detail in the following sections in this chapter): * Define the RSI CONSOLE form Enter the File Description and Input Specifications that describe the form, then compile the program. The forms file is generated automatically. If you wish, you can use SIGEDITOR to modify the form. File Description Specifications - These specifications define the file as an RSI WORKSTNC file. Input Specifications - These specifications define the fields that are used for input. * Process data entered in the form Calculation Specifications - Since RSI handles all of the input and output for the CONSOLE form, you do not enter Calculation Specification operations to do this. However, you must enter the usual operations to process the data once it is read. Defining an RSI CONSOLE File. Figure 4-35 shows the File Description and Input Specifications that define the RSI CONSOLE file SCRNFILE. SCRNFILE is defined as a WORKSTNC file (line 1) which consists of three different forms. The first form is FORM01 and is defined starting with line 2. (The form name is "FORM" suffixed by the record-identifying indicator for the record type.) Lines 3 and 4 start the definitions for the second and third forms, respectively.
[]
Figure 4-35. Defining an RSI CONSOLE Form When the forms FORM01, FORM02 and FORM03 are displayed at run time, they appear as shown in Figure 4-36, Figure 4-37 and Figure 4-38.
[]
Figure 4-36. FORM01 Displayed at Run Time
[]
Figure 4-37. FORM02 Displayed at Run Time
[]
Figure 4-38. FORM03 Displayed at Run Time You can modify the forms generated by RSI yourself or by using SIGEDITOR. However, do not change the top (status) line, the data type and length of the fields or the order of the fields. Figure 4-39 shows how you can modify FORM01 in Figure 4-35 to make it easier to understand and use.
[]
Figure 4-39. Modifying an RSI CONSOLE Forms File Displaying and Reading an RSI CONSOLE File. You do not need to enter Calculation Specifications to display and read an RSI form, the input and output are handles automatically by RSI during normal logic cycle processing. Once the data is read, you may enter Calculation Specifications to process the data the same way you do other file data. Displaying Messages with an RSI CONSOLE File. You cannot display messages when using RSI CONSOLE files, since CONSOLE forms are used for input only. Simple input editing is handled by RSI based on each field's data type. If the user enters invalid data, RSI displays an error message and allows the user to correct the data. Using Function Keys with an RSI CONSOLE File. There are just two function keys that are used with RSI CONSOLE files and they are described below. You cannot change the actions that they perform. Function Key Description F1 (COMMAND) Used in conjunction with one of the keys on the top row of the keyboard to select a command key (see the next section). F2 (PRINT SCREEN) Copies the contents of the screen to the print file RSIPRINT (DEV=LP). If the user presses another function key, the message "FUNCTION KEY NOT ENABLED AT THIS TIME" is displayed momentarily. Using Command Keys with an RSI CONSOLE File. If you defined more than one record type in the CONSOLE file, the user must press a command key at run time to select the type. For example, to select record type 3 (SUMMARY RECORD) in Figure 4-35, the user presses command key 3. The command keys do not turn on the command key indicators, as they do with regular RSI files. Therefore, you cannot use the indicators in the normal way to condition Calculation Specification operations. If the user presses a command key not associated with any record type, the message "FORM CHANGE OR EXIT NOT ACCEPTABLE" is displayed momentarily. A Sample Program Using an RSI CONSOLE File. This section lists a complete program that uses RSI CONSOLE files to read and balance invoices. Each invoice can have three or more records, where each record belongs to a different record type (the record types are sequenced). Each invoice must have a header record that gives the customer name and address, one or more detail records that list individual items on the invoice and a summary record that gives the total invoice amount. The user enters data for the header, detail an summary records in that order. Each group of invoice records are written to disc along with any errors. When the program is executed, the first form (FORM01) is displayed. When the user finishes entering data on the form and presses ENTER , the second form (FORM02) is displayed. When ENTER is pressed again, the second form is redisplayed because it can occur more than once in a group. The user can continue entering detail records or can select the third form by pressing command key 3 (the record-identifying indicator for the last record type). When input is complete for FORM03, the user presses ENTER and the first form is displayed again, starting the sequence over. The user presses command key 12 to end the program.
[]
Figure 4-40. Invoice-Balancing Program that Uses an RSI CONSOLE File
[]
Figure 4-40. Invoice-Balancing Program that Uses an RSI CONSOLE File (Continued) Comments 1 This line begins the definition of the RSI WORKSTNC file SCRNFILE. The forms file for SCRNFILE is INV36SFM which is the program name in the $CONTROL subsystem command suffixed by "FM". 2 This line begins the description of the invoice header records. Columns 15-16 contain the record sequence (01) in the group. Column 17 is 1 to indicate that there is only one header record per invoice. Column 18 is blank to indicate that this header record is required. Columns 19-20 contain the record-identifying indicator (01) for the form. The indicator is appended to "FORM" to create the form name FORM01. Columns 21-41 contain the record identification code (HD) for the record. (The code can be one or two characters but must begin in the first position of the record.) 3 This line begins the description of the record used for detail invoice records. The form name is FORM02, the record-identifying indicator is 02 and the record identification code is DE. Column 17 is N to specify that there can be more than one detail record per invoice. 4 This line begins the description of the record that summarizes each invoice. The form name is FORM03, the record-identifying indicator is 03 and the record identification code is SU. 5 This line begins the Calculation Specification operations that do invoice-balancing. It also flags invoices that are out-of-balance. Enabling the BREAK Key On 264X terminals, the BREAK key is physically positioned near ENTER . As a result, it is easy to press BREAK accidentally. Since it is difficult to recover from a break, this key is disabled automatically whenever you use a WORKSTN file. If you want to use the BREAK key, indicate this in column 52 of the terminal's File Description Specification as shown below.
[]
Figure 4-41. Enabling the BREAK Key Comments 1 This line defines the terminal file, TERMINAL. Column 52 contains B to enable the BREAK key. Handling Run-Time Errors When you run a program that uses VPLUS or RSI, run-time errors are handled differently from programs that do not use them. When using VPLUS, an error message is displayed in the message window and for RSI, it is displayed on a separate screen. VPLUS and RSI then reset the function keys so that the user can select an error response. The function keys and their responses are: Function Key: Response F1 Continue execution F2 Skip the input record containing the error and continue execution F3 Terminate the program by executing the normal termination code F4 Terminate the program immediately F5 Terminate normally and print an error dump F6 Terminate immediately and print an error dump You can specify the function key responses within your program instead of letting the user select them. Use the Header Specification to do this. For each error you anticipate, enter the response in columns 56-71. Figure 4-42 shows how to suppress the error message for arithmetic overflow and to continue program execution when arithmetic overflow occurs.
[]
Figure 4-42. Specifying a Run-Time Error Response Comments 1 This line specifies special error handling for arithmetic overflow errors. Column 55 contains N to suppress the display of arithmetic overflow error messages. Column 65 contains 0 to suppress arithmetic overflow messages and to continue program execution.


MPE/iX 5.0 Documentation