HP 3000 Manuals

GET Charts [ HP Transact Reference Manual ] MPE/iX 5.0 Documentation


HP Transact Reference Manual

GET Charts 

Execution of the GET verb for a TurboIMAGE data set access results in the
following:

[]
Execution of the GET verb for KSAM access results in the following:
[]
Execution of a GET verb for an MPE file results in the following:
[]
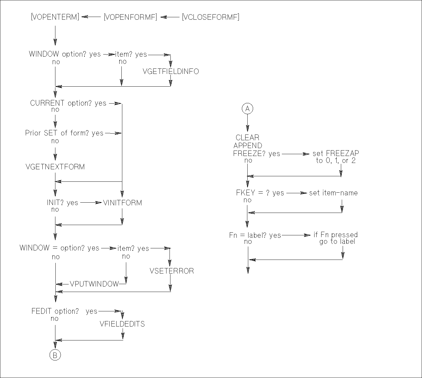
Execution of a GET(FORM) verb for a VPLUS form results in the following:
[]
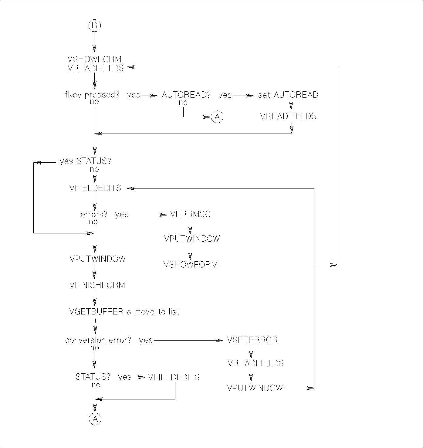
Execution of a GET(FORM) for a VPLUS form results in the following: (continued)
[]


MPE/iX 5.0 Documentation