HP 3000 Manuals

FIND Charts [ HP Transact Reference Manual ] MPE/iX 5.0 Documentation


HP Transact Reference Manual

FIND Charts 

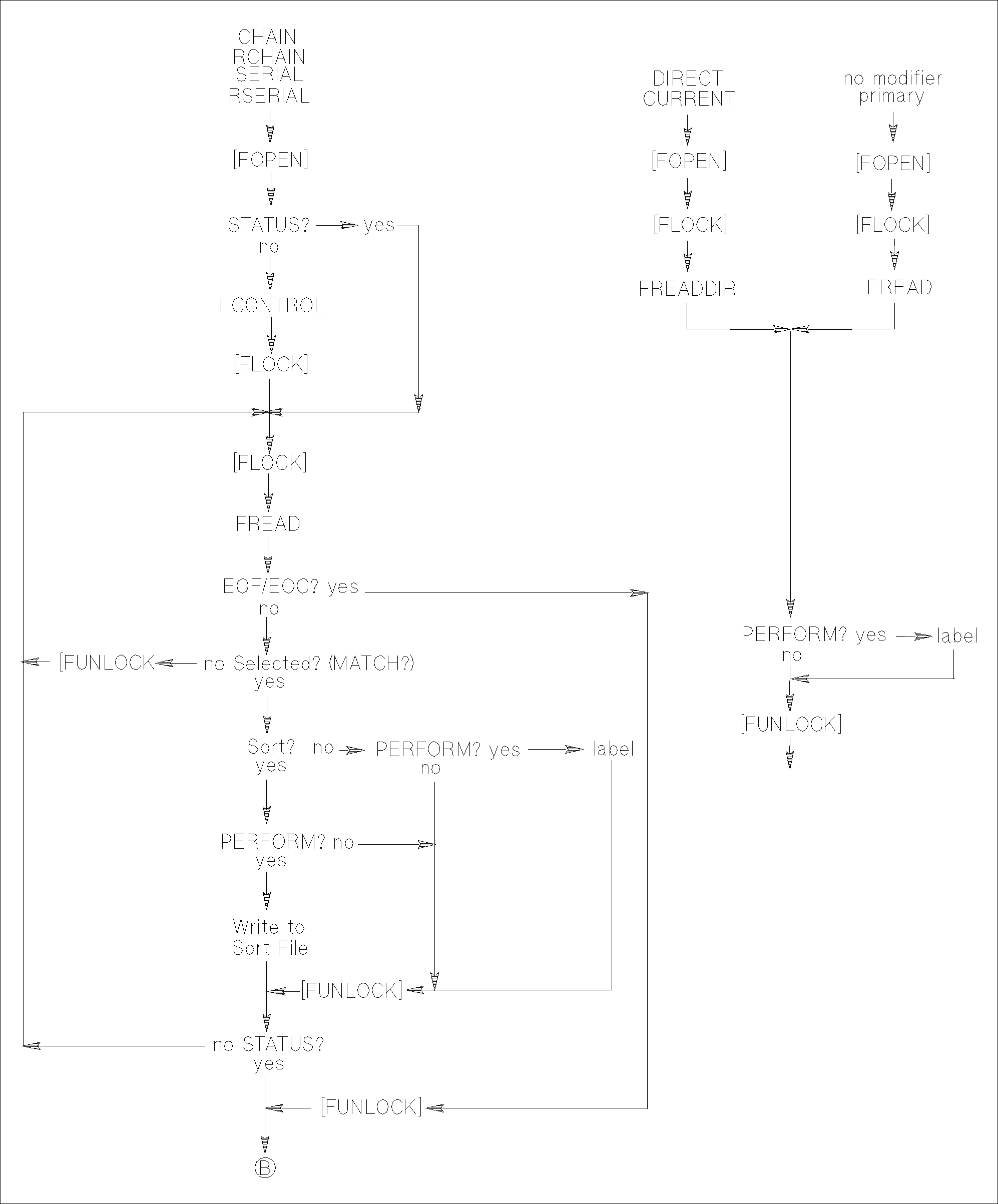
Execution of the FIND verb for a TurboIMAGE data set access results in
the following:

[]
Execution of the FIND verb for a TurboIMAGE data set access (continued):
[]
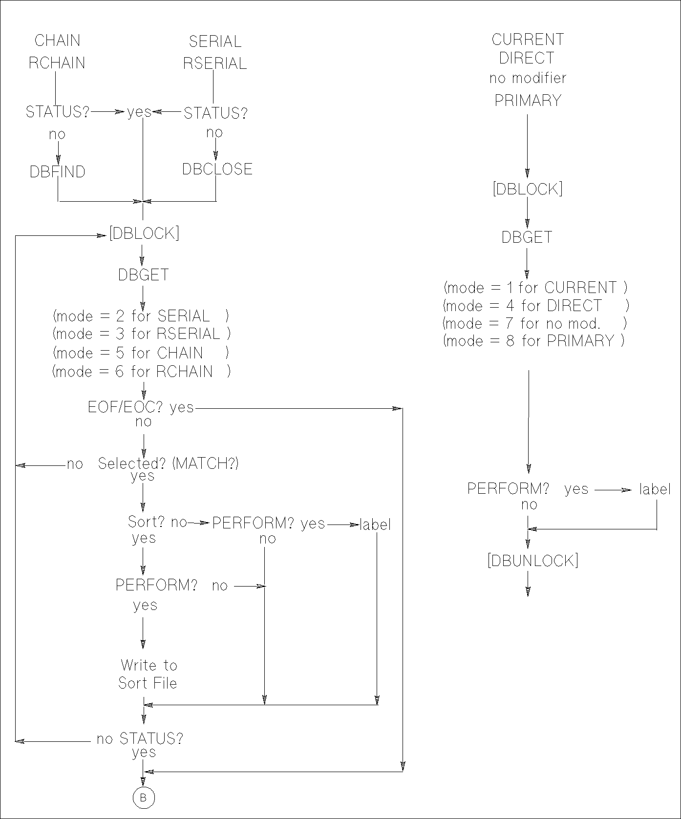
Execution of a FIND verb for a KSAM file is shown below:
[]
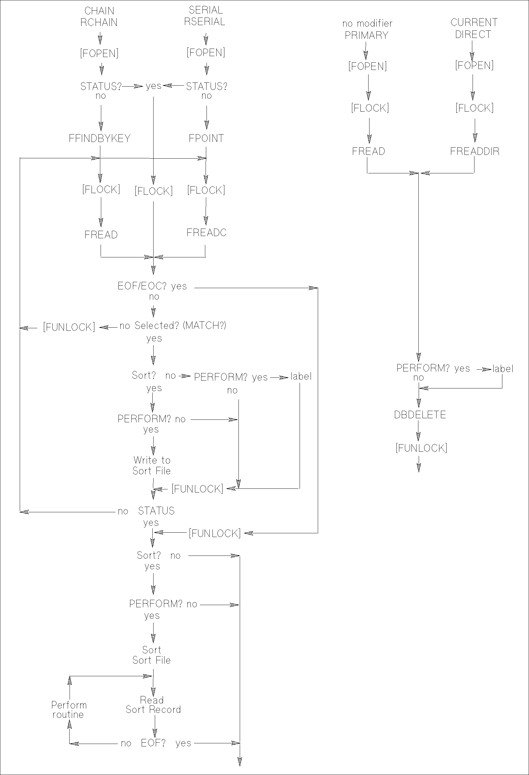
Execution of a FIND verb for an MPE file results in the following:
[]
Execution of a FIND verb for an MPE file results in the following (continued):
[]


MPE/iX 5.0 Documentation