HP 3000 Manuals

PUT Charts [ HP Transact Reference Manual ] MPE/iX 5.0 Documentation


HP Transact Reference Manual

PUT Charts 

Execution of a PUT verb for a TurboIMAGE data set results in the
following:

[]
Execution of a PUT verb for a KSAM or MPE file results in the following:
[]
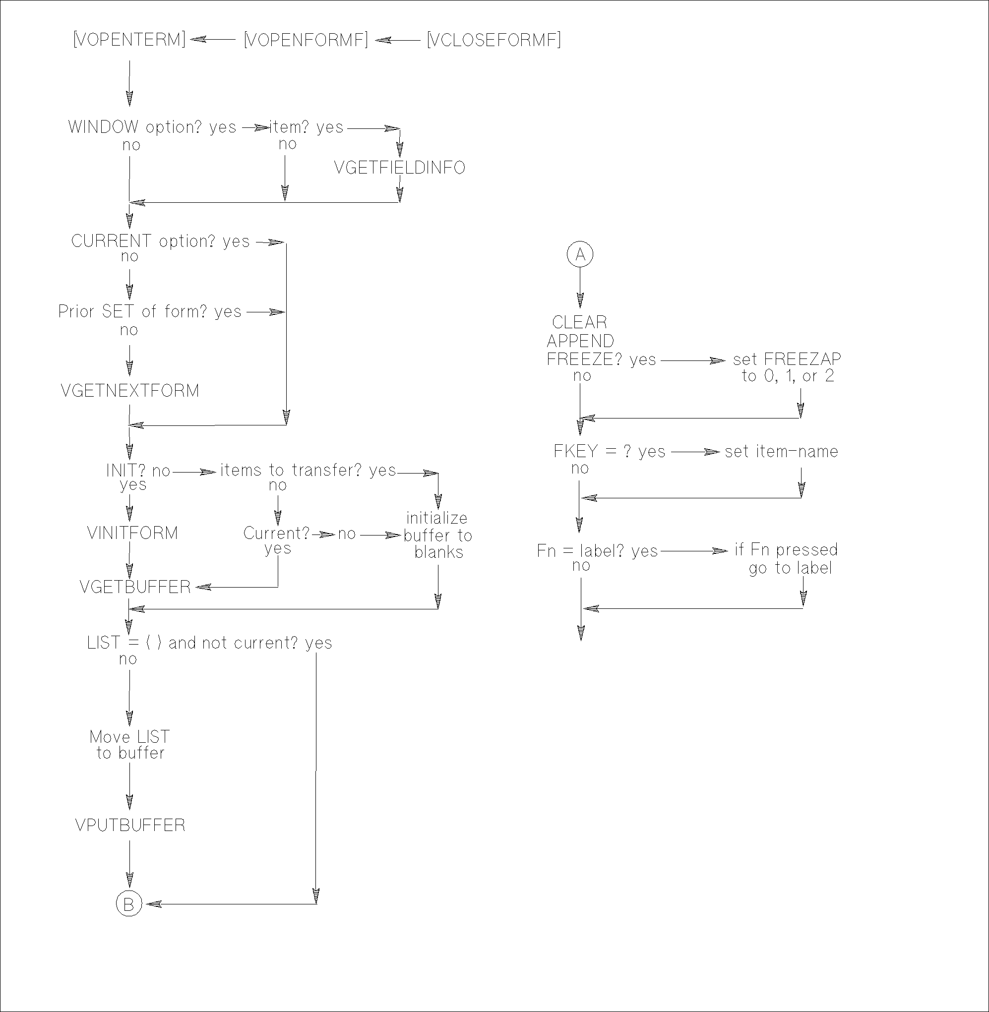
Execution of a PUT(FORM) verb on a VPLUS form results in the following:
[]
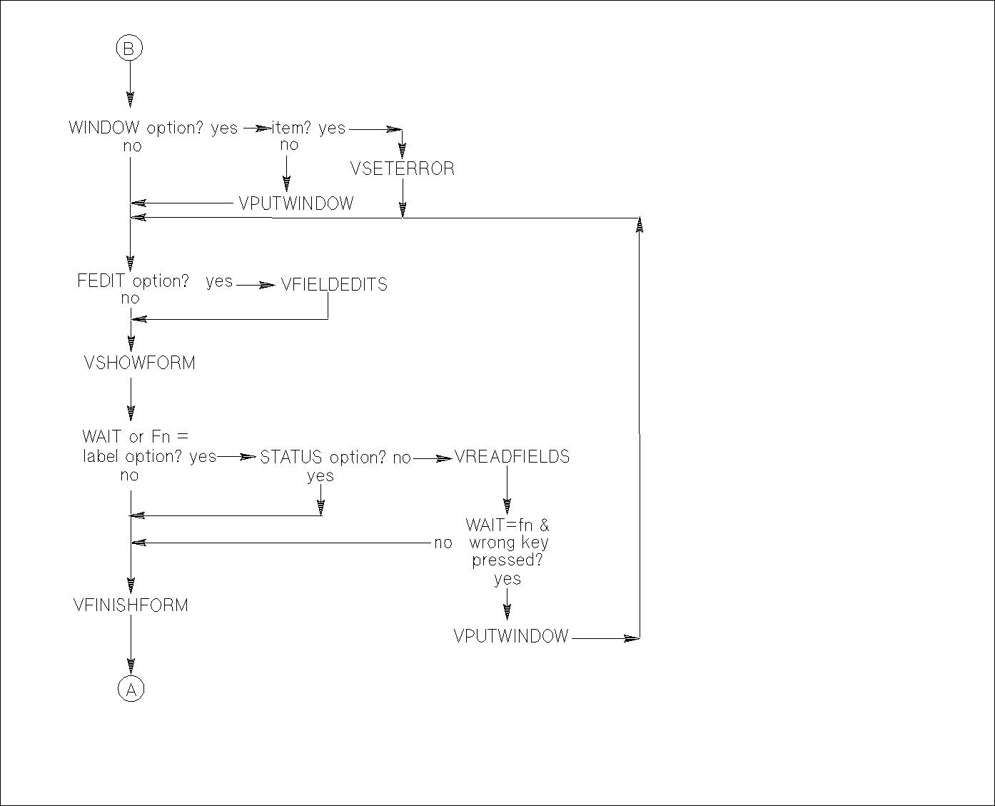
Execution of a PUT(FORM) verb on a VPLUS form results in the following: (continued)
[]


MPE/iX 5.0 Documentation