HP 3000 Manuals

FILES [ HP Data Entry and Forms Management System (VPLUS/V) ] MPE/iX 5.0 Documentation


HP Data Entry and Forms Management System (VPLUS/V)

FILES 

One batch file containing collected data can be reformatted into one
output file.  This output file is then used as input to the application
that processes the collected data.  Data from more than one batch file
can be written to one output file in sequence--that is, data from a batch
file can be appended to data from another batch file in an existing
output file with an MPE :FILE command equation.  (See "Concatenating
Batch Files", this section, for an example of this.)  Without a file
equation, data from each batch file overwrites data in an existing output
file.

The reformatting specifications themselves are stored in a "reformat"
file.  The specifications in this file determine how the data in the
batch file is to be stored in the output file.

One output file is generated for each reformat file.  If you wish to
separate the data into more than one output file, you must establish
different reformat files, and run the reformatter program separately, to
generate each output file.  REFSPEC accepts either KSAM or standard MPE
reformat files.  The only forms files created by REFSPEC, however, are
MPE files.  In the MPE reformat files, the key and form records are
interspersed throughout the file.  MPE reformat files do not require
extra data segments and are automatically recovered after a power failure
or system crash.  Refer to Appendix H for information on converting KSAM
files to MPE files.

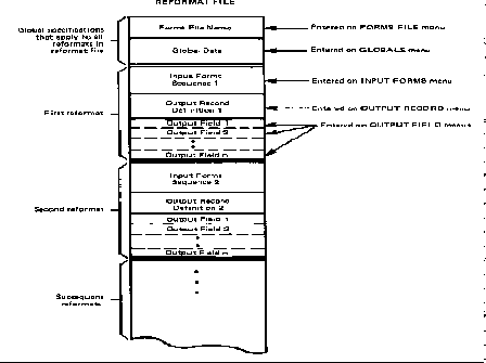
Reformat File 

The reformat file consists of the following components:

* Forms File     Identifies the forms file that contains the forms
Name             through which data in the batch file was entered.

* Global         Specifications that apply to the entire output file,
Information      such as a string used for an end-of-record mark, or
                 record length and whether the record length is fixed or
                 variable.  Any or all global specifications can be
                 omitted since defaults are provided.

* Input Forms    Specify the form names on which data to be reformatted
Sequence         was entered.  Only data from the forms in an input forms
                 sequence is written to the output file.  At least one
                 input forms sequence must be included, and as many may
                 be included as there are forms in the forms file.

* Output Record  Specify each field to be written to the output file, and
Definition       define the beginning of each output record.  Usually,
                 one output record definition follows each input forms
                 sequence.

* Field          Special reformatting at the field level can be specified
Specifications   for each field listed in the preceding output record
                 definition.

This information is entered on menus very much like those issued for
FORMSPEC. Figure 5-2 illustrates a prototype REFORMAT file.

[]
Figure 5-2. Prototype of REFORMAT File


MPE/iX 5.0 Documentation